DC184直流接触器

您的位置 : 网站首页 > 产品中心 > 主触头多路直流接触器系列 > DC184直流接触器
DC184
DC184
  • DC184
型号:DC184直流接触器
  • 线圈额定电压(V)

    48V

  • 主触点额定电流(A)

    200A

联系电话:021-55560736
ZJ-50D直流接触器

产品介绍

Product introduction

产品用途
DC184接触器设计用于直流负载,特别是用于电动车辆(如工业卡车和机场拖拉机)的电动机。

DC184具有双重断裂主触点和银合金触点尖端,这些触点具有耐焊接性,耐磨损性和导电性能优异。

DC184是一种整体结构,结构紧凑,与现代电子控制系统兼容。主要终端可以通过多种方式进行配置,以适应应用。

技术数据
线路原理图
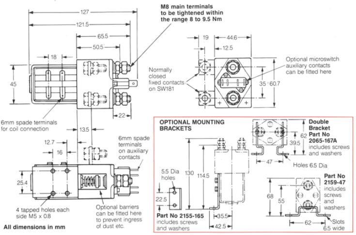
外形尺寸图
DC184设计用于直流负载,尤其是用于小型电动车辆(如轻型卡车)的电机。针对中断和不间断负载而开发,DC184适用于开关电阻,电容和电感负载。

  • 邮  箱:cnhgq@foxmail.com 邮  编:201206
  • 厂  址:上海市曹路钦塘工业园钦塘东南1号 销售地址:上海浦东新区外高桥华申路150号2幢
  • © Copyright JOSEF Inc. All rights reserved.沪ICP备08020013号