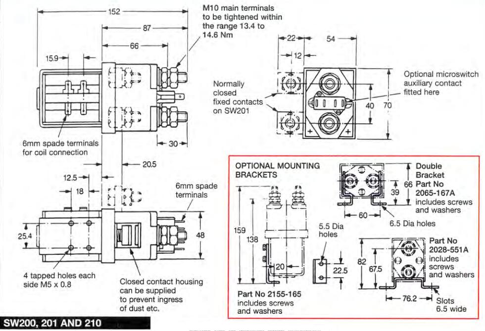
SW215直流接触器
6-240
250A
企业介绍
项目合作
资料下载
产品介绍
Product introduction
SW215专为直流负载而设计,包括用于电动车辆(如工业卡车)的电机。SW215专为中断和不间断负载而开发,适用于开关电阻,电容和电感负载。
走进约瑟
公司简介
人才理念
服务中心
关注我们
联系我们
网站地图
服务热线
周一~周六 8:00-18:00
021-55560736
15821909792